Thanh Kẹp Dao - 4016/5013

Thanh Kẹp Dao - 4016/5013

Thanh kẹp dao chấn 4016/5013 là phụ kiện cơ khí tiêu chuẩn dùng để cố định dao chấn trên máy chấn tôn, máy chấn thủy lực và máy chấn cơ. Sản phẩm được gia công chính xác theo bản vẽ kỹ thuật, đảm bảo lực kẹp ổn định, phân bố đều, giúp dao chấn làm việc chắc chắn, hạn chế rung lắc và sai lệch trong quá trình chấn kim loại tấm. Với hai phiên bản chiều cao H khác nhau, thanh kẹp 4016/5013 cho phép linh hoạt lựa chọn theo không gian lắp đặt và loại dao chấn sử dụng, phù hợp cho nhiều hệ máy chấn phổ biến hiện nay.
  • 4016/5013
  • Liên hệ
  • 127
  • - +
Gọi Đặt Hàng Ngay: 090 888 4829
SÁNG TẠO ĐỈNH CAO

SÁNG TẠO ĐỈNH CAO

Sáng tạo công nghệ thiết thực, mang lại trải nghiệm tuyệt vời cho người sử dụng

GIAO HÀNG NHANH CHÓNG

GIAO HÀNG NHANH CHÓNG

Giao hàng nhanh chóng chỉ trong vòng 24h

UY TÍN VÀ CHẤT LƯỢNG

UY TÍN VÀ CHẤT LƯỢNG

Chất lượng đảm bảo và bảo hành lâu dài

CHẤT LƯỢNG VÀ TIẾT KIỆM

CHẤT LƯỢNG VÀ TIẾT KIỆM

Tiết kiệm 10 -30% so với thương hiệu khác

THANH KẸP DAO CHẤN 4016/5013 – GIẢI PHÁP KẸP DAO CHẤN CHÍNH XÁC & ỔN ĐỊNH 
Thanh kẹp dao chấn 4016/5013 là dòng thanh kẹp cơ khí tiêu chuẩn, được sử dụng để cố định dao chấn tôn trên các loại máy chấn cơ, máy chấn thủy lực trong ngành gia công kim loại tấm. Sản phẩm được thiết kế và gia công theo bản vẽ kỹ thuật chính xác, đáp ứng yêu cầu làm việc ổn định, độ bền cao và khả năng kẹp chặt dao trong suốt quá trình chấn. 
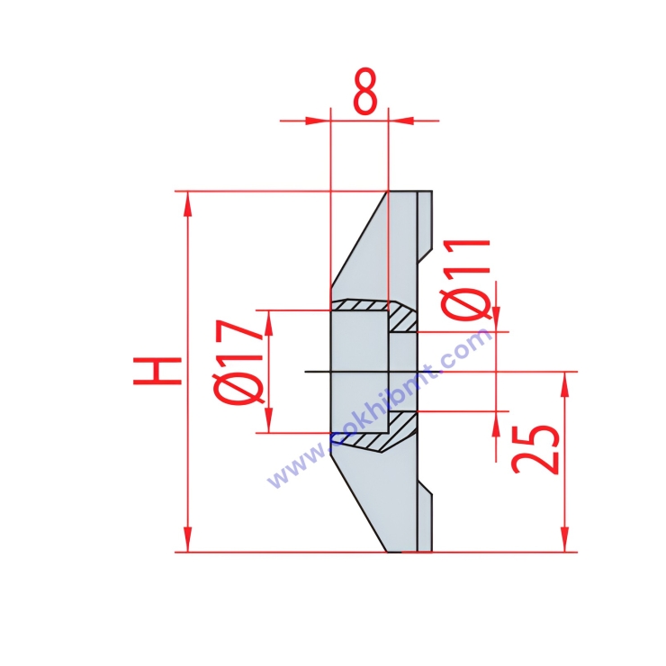
4016/5013 có kết cấu, chiều dài và vị trí lỗ lắp giống nhau, khác biệt chính nằm ở chiều cao H, giúp người dùng linh hoạt lựa chọn theo không gian lắp đặt và loại dao chấn sử dụng. 

Đặc điểm kỹ thuật 
Thanh kẹp dao chấn 4016/5013 có chiểu dài tổng 150 mm, được bố trí 2 lỗ bắt bulong đối xừng, giúp lực kẹp phân bố đều lên dao chấn, hạn chế tối đa hiện tượng lệch dao hoặc trượt dao khi chấn ở lực ép cao. 
Khoảng cách tâm hai lỗ là 100 mm, lỗ đầu tiên cách mép thanh 25 mm, phù hợp với tiêu chuẩn lắp đặ phổ biến của nhiều dòng máy chấn hiện nay. Thiết kế lỗ kết hợp Ø11 và Ø17 cho phép sử dụng bulong tiêu chuẩn, dễ dàng tháo lắp, thay dao và bảo trì.
Bề mặt sản phẩm được gia công phẳng, độ chính xác cao, đảm bảo tiếp xúc tốt giữa thanh kẹp và dao chấn, góp phần nâng cao độ ổn định khi vận hành. 

Ưu điểm khi sử dụng 
- Kẹp dao chắc chắn, hạn chế rung lắc và xê dịch dao. 
- Gia công chính xác, đảm bảo độ đồng đều khi chấn. 
- Lắp đặt nhanh, dễ thay dao và căn chỉnh. 
- Độ bền cao, phù hợp môi trường sản xuất cơ khí. 
- Tương thích với nhiều loại dao chấn và máy chấn tiêu chuẩn. 

Ứng dụng thực tế 
Thanh kẹp dao chấn 4016/5013 được sử dụng rộng rãi trong: 

  • Xưởng gia công chấn tôn, chấn thép tấm. 
  • Nhà máy cơ khí chế tạo. 
  • Dây chuyền sản xuất kim loại tấm. 
  • Hệ thống máy chấn cơ và máy chấn thủy lực. 

📞 Liên hệ tư vấn & Báo giá 
📍 TẬP ĐOÀN CƠ KHÍ BMT
📞 Hotline: 090 888 4829
🌐 Website: www.cokhibmt.com

 

Sản phẩm cùng loại
Sản phẩm đã xem