Thanh Kẹp Dao - 4020/5012

Thanh Kẹp Dao - 4020/5012

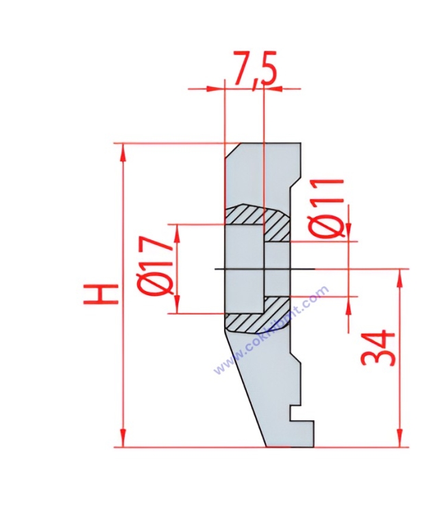
Thanh kẹp dao chấn là chi tiết cơ khí quan trọng trong hệ thống gá kẹp dao của máy chấn tôn, có chức năng cố định dao chấn chắc chắn trên bàn máy, đảm bảo độ chính xác góc chấn và độ ổn định trong quá trình làm việc. Sản phẩm được gia công CNC chính xác từ thép hợp kim cường độ cao, đáp ứng yêu cầu kẹp chặt, chống rung lắc và vận hành an toàn cho các dòng máy chấn thủy lực sử dụng dao tiêu chuẩn. Thanh kẹp phù hợp cho môi trường sản xuất công nghiệp với cường độ làm việc liên tục.
  • 4020/5012
  • Liên hệ
  • 50
  • - +
Gọi Đặt Hàng Ngay: 090 888 4829
SÁNG TẠO ĐỈNH CAO

SÁNG TẠO ĐỈNH CAO

Sáng tạo công nghệ thiết thực, mang lại trải nghiệm tuyệt vời cho người sử dụng

GIAO HÀNG NHANH CHÓNG

GIAO HÀNG NHANH CHÓNG

Giao hàng nhanh chóng chỉ trong vòng 24h

UY TÍN VÀ CHẤT LƯỢNG

UY TÍN VÀ CHẤT LƯỢNG

Chất lượng đảm bảo và bảo hành lâu dài

CHẤT LƯỢNG VÀ TIẾT KIỆM

CHẤT LƯỢNG VÀ TIẾT KIỆM

Tiết kiệm 10 -30% so với thương hiệu khác

THANH KẸP DAO CHẤN – GIẢI PHÁP GÁ KẸP CHÍNH XÁC CHO MÁY CHẤN TÔN 
Thanh kẹp dao chấn là chi tiết cơ khí then chốt trong hệ thống gá kẹp dao chấn, có nhiệm vụ giữ chặt dao chấn trên bàn máy, đảm bảo dao không bị xê dịch, lệch tâm hay rung lắc trong quá trình làm việc. Sản phẩm được thiết kế theo tiêu chuẩn kỹ thuật của ngành cơ khí chế tạo máy, phù hợp cho các máy chấn tôn thủy lực, sử dụng dao chấn tiêu chuẩn. 
Thanh kẹp dao đóng vai trò trực tiếp đến độ chính xác góc chấn, chất lượng bề mặt sản phẩm và độ an toàn khi vận hành, vì vậy yêu cầu cao về độ cứng vững, độ song song và độ ổn định lâu dài. 

Vật liệu & công nghệ gia công 
- Sản phẩm được chế tạo từ thép hợp kim cường độ cao như C45, 40Cr hoặc vật liệu tương đương, đảm bảo khả năng chịu lực và độ bền ổn định.
- Gia công bằng công nghệ CNC chính xác, giúp các bề mặt đạt độ song song và độ vuông góc theo yêu cầu cơ khí.
- Có thể áp dụng xử lý nhiệt tôi cứng bề mặt nhằm nâng cao khả năng chịu mài mòn trong quá trình làm việc.
- Bề mặt được xử lý chống oxy hóa, hạn chế gỉ sét trong môi trường xưởng sản xuất.
➡️ Nhờ quy trình gia công chính xác, thanh kẹp có độ bền cao, không biến dạng khi chịu lực kẹp lớn và phù hợp cho vận hành liên tục trong sản xuất công nghiệp.

Ưu điểm nổi bật 
- Kẹp dao chắc chắn, ổn định cao, giảm rung lắc khi chấn tôn dày. 
- Độ chính xác cao giúp dao chấn thẳng hàng, đảm bảo góc chấn đồng đều. 
- Lắp đặt nhanh, thay dao dễ dàng tiết kiệm thời gian setup máy. 
- Độ bền vượt trội, tuổi thọ dài, ít phải bảo trì. 
- An toàn vận hành, hạn chế trượt dao giảm rủi ro trong sản xuất. 

Ứng dụng thực tế
- Máy chấn tôn CNC thủy lực.
- Gia công kim loại tấm: thép, inox, nhôm.
- Sản xuất tủ điện, vỏ máy, thang máng cáp.
- Xưởng cơ khí chính xác, nhà máy gia công kim loại tấm.

📞 Liên hệ tư vấn & Báo giá 
📍 TẬP ĐOÀN CƠ KHÍ BMT
📞 Hotline: 090 888 4829
🌐 Website: www.cokhibmt.com




 

Sản phẩm cùng loại
Sản phẩm đã xem