Hệ Thống Làm Mát Tích Hợp Băng Tải Con Lăn Từ Tính Dạng Chữ L - Coolant System with L-Type Magnetic Roller Conveyors

Hệ Thống Làm Mát Tích Hợp Băng Tải Con Lăn Từ Tính Dạng Chữ L - Coolant System with L-Type Magnetic Roller Conveyors

Hệ thống làm mát tích hợp băng tải con lăn từ tính dạng chữ L là giải pháp đồng bộ trong gia công cơ khí, kết hợp thu gom phoi sắt thép bằng lực từ và tuần hoàn dung dịch làm mát. Nhờ thiết kế chữ L tối ưu không gian cùng con lăn từ tính giữ phoi ổn định, hệ thống giúp tách phoi hiệu quả, hạn chế tắc nghẽn, duy trì môi trường gia công sạch và đảm bảo vận hành liên tục cho các máy CNC, broaching, khoan lỗ sâu và máy công cụ công nghiệp.
  • BTAI-02
  • Liên hệ
  • 129
  • - +
Gọi Đặt Hàng Ngay: 090 888 4829
SÁNG TẠO ĐỈNH CAO

SÁNG TẠO ĐỈNH CAO

Sáng tạo công nghệ thiết thực, mang lại trải nghiệm tuyệt vời cho người sử dụng

GIAO HÀNG NHANH CHÓNG

GIAO HÀNG NHANH CHÓNG

Giao hàng nhanh chóng chỉ trong vòng 24h

UY TÍN VÀ CHẤT LƯỢNG

UY TÍN VÀ CHẤT LƯỢNG

Chất lượng đảm bảo và bảo hành lâu dài

CHẤT LƯỢNG VÀ TIẾT KIỆM

CHẤT LƯỢNG VÀ TIẾT KIỆM

Tiết kiệm 10 -30% so với thương hiệu khác

HỆ THỐNG LÀM MÁT TÍCH HỢP BĂNG TẢI CON LĂN TỪ TÍNH DẠNG CHỮ L 
Hệ thống làm mát tích hợp băng tải con lăn dạng từ tính dạng chữ L (Coolant System with L-Type Magnetic Roller Conveyors) là giải pháp đồng bộ dùng để loại bỏ phoi sắt và làm mát trong quá trình gia công cơ khí. Hệ thống kết hợp băng tải con lăn từ tính dạng chữ L và bồn chứa dung dịch làm mát, giúp thu gom kim loại hiệu quả và duy trì môi trường gia công ổn định. 

Chức năng chính 
- Thu gom và vận chuyển phoi sắt, phoi thép bằng lực từ. 
- Tách phoi ra khỏi dung dịch làm mát. 
- Tuần hoàn dung dịch làm mát cho máy gia công. 
- Nâng phoi từ vị trí thấp lên cao nhờ kết cấu chữ L. 

Ứng dụng 
- Phù hợp để loại bỏ phoi sắt trên máy chốt kích thước lớn (broaching machine)/. 
- Ứng dụng cho máy khoan lỗ sâu BTA, trung tâm gia công CNC và các loại máy công cụ. 
- Dùng để vận chuyển chi tiết sau gia công đột dập. 
- Thiết kế chuyên dụng cho việc loại bỏ và vận chuyển phoi sắt của phôi vật liệu FC. 
- Có thể thiết kế - chế tạo theo nhiều quy cách và kích thước khác nhau theo yêu cầu. 

Ưu điểm nổi bật 
- Tích hợp băng tải và hệ thống làm mát, tiết kiệm không gian lắp đặt. 
- Con lăn từ tính giữ phoi chắc chắn, hạn chế tắt nghẽn và rơi vãi. 
- Hoạt động ổn định, phù hợp cho vận hành liên tục trong môi trường công nghiệp. 
- Nhiều model với công suất từ 100 – 400 L/min, đáp ứng đa dạng nhu cầu sử dụng. 

📞 Liên hệ tư vấn & Báo giá 
📍 TẬP ĐOÀN CƠ KHÍ BMT 
📞 Hotline: 090 888 4829 
🌐 Website: www.cokhibmt.com 

 

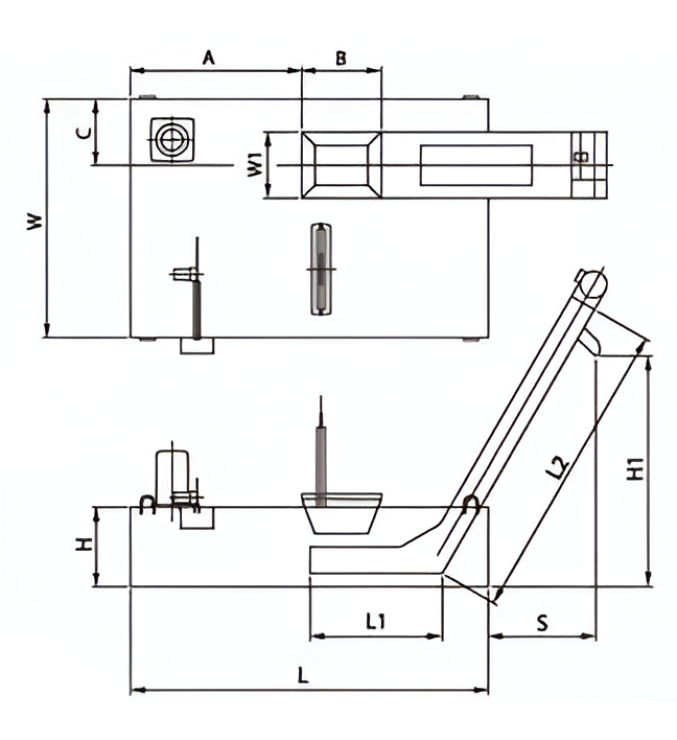
THÔNG SỐ KỸ THUẬT 

Sản phẩm cùng loại