Ê Tô Sin Điều Chỉnh Bằng Vít Me - Screw Feed Sine Vise

Ê Tô Sin Điều Chỉnh Bằng Vít Me - Screw Feed Sine Vise

Ê tô sin điều chỉnh bằng vít me là thiết bị gá kẹp chính xác chuyên dùng cho các gia công chi tiết có góc nghiêng. Sản phẩm kết hợp nguyên lý sin với cơ cấu vít me điều chỉnh, cho phép thiết lập góc nhanh, mượt và độ chính xác cao. Được chế tạo từ thép dụng cụ SK2, xử lý nhiệt đạt độ cứng HRC 56–60, ê tô đảm bảo khả năng chống mài mòn, độ ổn định và tuổi thọ dài. Thiết kế kết cấu vững chắc, giữ góc ổn định trong quá trình gia công, phù hợp cho các công việc mài tinh, phay chính xác và gia công khuôn mẫu.
  • ETOMM-11
  • Liên hệ
  • 2
  • - +
Gọi Đặt Hàng Ngay: 090 888 4829
SÁNG TẠO ĐỈNH CAO

SÁNG TẠO ĐỈNH CAO

Sáng tạo công nghệ thiết thực, mang lại trải nghiệm tuyệt vời cho người sử dụng

GIAO HÀNG NHANH CHÓNG

GIAO HÀNG NHANH CHÓNG

Giao hàng nhanh chóng chỉ trong vòng 24h

UY TÍN VÀ CHẤT LƯỢNG

UY TÍN VÀ CHẤT LƯỢNG

Chất lượng đảm bảo và bảo hành lâu dài

CHẤT LƯỢNG VÀ TIẾT KIỆM

CHẤT LƯỢNG VÀ TIẾT KIỆM

Tiết kiệm 10 -30% so với thương hiệu khác

Ê TÔ SIN ĐIỀU CHỈNH BẲNG VÍT ME - GÁ KẸP GÓC CHÍNH XÁC CAO 
Ê tô sin điều chỉnh bằng vít me là thiết bị gá kẹp chuyên dụng dùng để gia công chi tiết có góc nghiêng chính xác. Sản phẩm kết hợp cơ cấu sin và vít me điều chỉnh, giúp người dùng thiết lập góc nhanh, chính xác và ổn định, đặc biệt phù hợp cho các công việc gia công tinh.

Vật liệu & Xử lý nhiệt 
- Ê tô được chế tạo từ thép dụng cụ SK2, đảm bảo độ cứng và độ bền cao trong môi trường gia công cơ khí. 
- Độ cứng sau xử lý nhiệt đạt HRC 56° – 60°, giúp tăng khả năng chống mài mòn, duy trì độ chính xác lâu dài trong quá trình sử dụng. 
- Bề mặt ê tô được gia công tinh, đảm bảo độ phẳng và độ ổn định khi gá đặt trên bàn máy. 

Cơ cấu điều chỉnh bằng vít me 
- Trang bị vít me điều chỉnh góc, cho phép thiết lập góc dễ dàng, mượt và chính xác. 
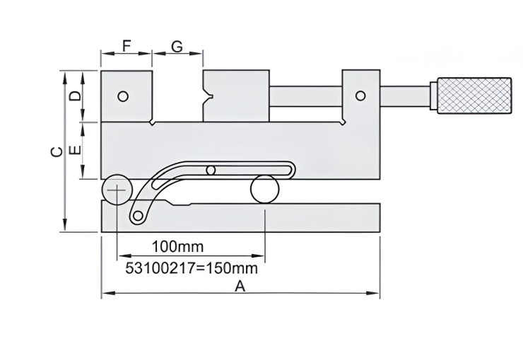
- Dải góc làm việc từ 0° đến 46°, đáp ứng đa dạng yêu cầu gia công góc nghiêng. 
- Sau khi điều chỉnh, cơ cấu giữ góc chắc chắn, hạn chế tối đa rung động và sai lệch khi gia công.

Độ chính xác kỹ thuật 

  • Độ song song: ≤ 0.005 mm / 100 mm. 
  • Độ vuông góc: ≤ 0.005 mm / 100 mm. 

Các thông số này đảm bảo ê tô đáp ứng tốt yêu cầu gia công chính xác, mài tinh và gia công khuôn mẫu. 

Thiết kế & Kết cấu 
- Thiết kế ê tô sin dạng khối, kết cấu chắc chắn, chịu lực tốt. 
- Má kẹp gia công chính xác, tiếp xúc đều với phôi, hạn chế trượt trong quá trình làm việc. 
- Tay vặn vít me thiết kế dễ thao tác, cho phép kiểm soát tốt quá trình điều chỉnh góc và kẹp phôi. 

Ứng dụng 
- Gia công góc nghiêng chính xác. 
- Gia công mài, phay các chi tiết yêu cầu kiểm soát góc. 
- Sử dụng trong xưởng cơ khí chính xacsm phòng dụng cụ. 

Ưu điểm nổi bật 
- Điều chỉnh góc bằng vít me chính xác, dễ thao tác. 
- Dải góc rộng 0° – 46°. 
- Độ song song và vuông góc ổn định. 
- Vật liệu SK2, độ cứng cao, tuổi thọ dài. 
- Nhiều kích thước lựa chọn theo nhu cầu sử dụng. 

📞 Liên hệ tư vấn & Báo giá 
📍 TẬP ĐOÀN CƠ KHÍ BMT
📞 Hotline: 090 888 4829
🌐 Website: www.cokhibmt.com

 

THÔNG SỐ KỸ THUẬT 

Sản phẩm cùng loại
Sản phẩm đã xem
Whatsapp Viber WeChat Line Teams
// CSS