Đồ Gá Mài Chày - Punch Former Vertical

Đồ Gá Mài Chày - Punch Former Vertical

Punch Former Vertiacl đồ gá mài chày chuyên dụng cho máy mài phẳng, cho phép kẹp và gia công chày khuôn theo phương thẳng đứng với độ chính xác cao. Nhờ kết cấu cứng vững, cơ cấu V block điều chỉnh vi mô và hệ thống chia độ 24 vị trí chính xác, sản phẩm giúp mài ổn định các biên dạng tròn, đa giác và hình dạng phức tạp, đảm bảo độ đồng đều bề mặt, giảm sai số và nâng cao hiệu suất trong gia công khuôn mẫu và cơ khí chính xác.
  • ĐG-01
  • Liên hệ
  • 4
  • - +
Gọi Đặt Hàng Ngay: 090 888 4829
SÁNG TẠO ĐỈNH CAO

SÁNG TẠO ĐỈNH CAO

Sáng tạo công nghệ thiết thực, mang lại trải nghiệm tuyệt vời cho người sử dụng

GIAO HÀNG NHANH CHÓNG

GIAO HÀNG NHANH CHÓNG

Giao hàng nhanh chóng chỉ trong vòng 24h

UY TÍN VÀ CHẤT LƯỢNG

UY TÍN VÀ CHẤT LƯỢNG

Chất lượng đảm bảo và bảo hành lâu dài

CHẤT LƯỢNG VÀ TIẾT KIỆM

CHẤT LƯỢNG VÀ TIẾT KIỆM

Tiết kiệm 10 -30% so với thương hiệu khác

ĐỒ GÁ MÀI CHÀY - GIẢI PHÁP MÀI CHÍNH XÁC TRÊN MÁY MÀI PHẲNG 
Punch Former (Vertical) là đồ gá chuyên dụng dùng trên máy mài phẳng, được thiết kế để kẹp và mài chày khuôn theo phương thẳng đứng với độ chính xác cao. Sản phẩm đáp ứng tốt các yêu cầu gia công mài hình dạng phức tạp trong ngành khuôn mẫu, cơ khí chính xác và gia công CNC. 

Ưu điểm nổi bật của Punch Former Vertical 
- Ứng dụng linh hoạt trên máy mài phẳng cho phép kẹp chặt chày khuôn có đường kính lên đến Ø70 mm phù hợp cho nhiều loại hình dạng khác nhau. 
- Cơ cấu V block điều chỉnh vi mô theo phương thẳng đứng giúp thao tác mài ổn định chính xác và dễ kiểm soát. 
- Độ chính xác cao khi chia độ nhờ hệ thống chia 24 vị trí với sai số chỉ ±5" đáp ứng tốt các yêu cầu gia công tinh và các ứng dụng đòi hỏi độ chính xác cao. 
- Thiết kế chắc chắn với độ bền cao nhờ kết cấu cứng vững giúp duy trì độ ổn định tối đa trong suốt quá trình mài và đảm bảo chất lượng gia công đồng đều. 
- Vận hành đơn giản và an toàn giúp người sử dụng thao tác dễ dàng nâng cao hiệu suất làm việc đồng thời hạn chế tối đa sai số trong quá trình gia công.

Ứng dụng thực tế 
Punch Former Vertical được sử dủng rộng rãi trong: 

  • Gia công chày khuôn dập.
  • Mài các chi tiết tròn, đa giác, hình dạng đặc biệt.
  • Xưởng khuôn mẫu, có khí chính xác, nhà máy sản xuất linh kiện. 

📞 Liên hệ tư vấn & Báo giá 
📍 TẬP ĐOÀN CƠ KHÍ BMT
📞 Hotline: 090 888 4829
🌐 Website: www.cokhibmt.com

 

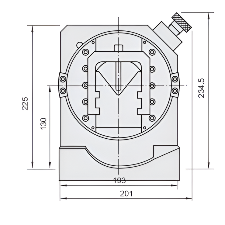
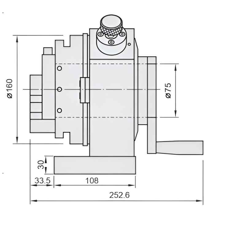
THÔNG SỐ KỸ THUẬT 

  • Max clamping diameter in V-groove: 70mm
  • V-block travel vertically: 35 mm 
  • Indexing divisions and accuracy: 24, 15˚ ±5"
  • Weight: 23.6 kgs 
     
Sản phẩm cùng loại
Whatsapp Viber WeChat Line Teams
// CSS