Đồ Gá Mài Chày Kèm Mâm Cặp 3 Chấu - Punch Former With 3 Jaws Chuck

Đồ Gá Mài Chày Kèm Mâm Cặp 3 Chấu - Punch Former With 3 Jaws Chuck

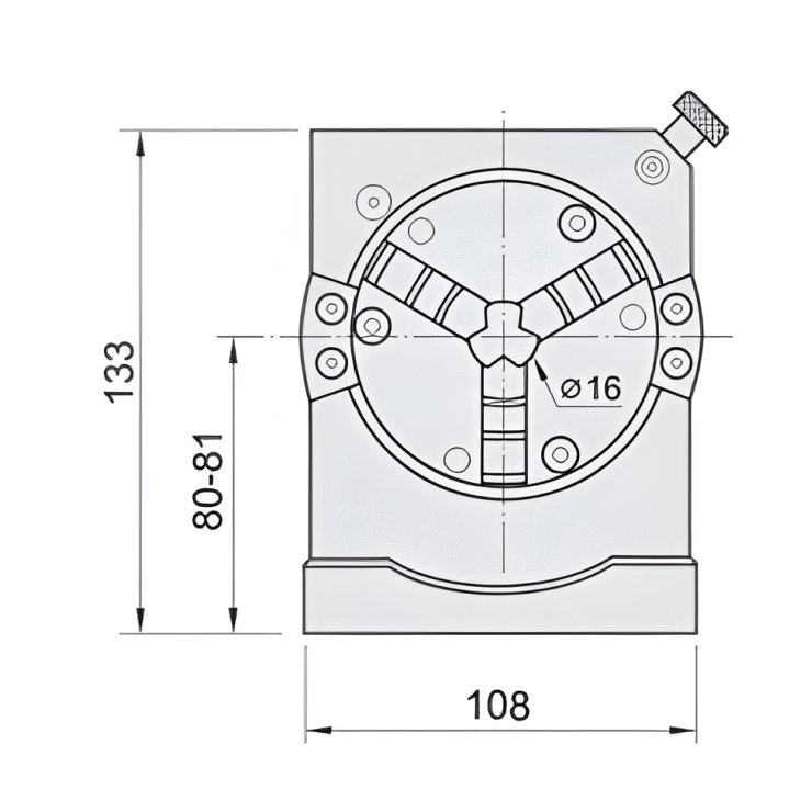
Punch Former With 3 Jaws Chuck là đồ gá mài chuyên dụng, được thiết kế tối ưu cho sản xuất hàng loạt với yêu cầu cao về tốc độ gá phôi và độ chính xác. Sản phẩm sử dụng mâm cặp 3 chấu kết hợp cơ cấu vi chỉnh micro adjustment, cho phép kẹp nhanh và cân chỉnh chính xác độ đồng tâm của phôi, khắc phục hạn chế sai số thường gặp ở mâm cặp 3 chấu thông thường.
  • ĐG-04
  • Liên hệ
  • 5
  • - +
Gọi Đặt Hàng Ngay: 090 888 4829
SÁNG TẠO ĐỈNH CAO

SÁNG TẠO ĐỈNH CAO

Sáng tạo công nghệ thiết thực, mang lại trải nghiệm tuyệt vời cho người sử dụng

GIAO HÀNG NHANH CHÓNG

GIAO HÀNG NHANH CHÓNG

Giao hàng nhanh chóng chỉ trong vòng 24h

UY TÍN VÀ CHẤT LƯỢNG

UY TÍN VÀ CHẤT LƯỢNG

Chất lượng đảm bảo và bảo hành lâu dài

CHẤT LƯỢNG VÀ TIẾT KIỆM

CHẤT LƯỢNG VÀ TIẾT KIỆM

Tiết kiệm 10 -30% so với thương hiệu khác

ĐỒ GÁ MÀI CHÀY KÈM MÂM CẶP 3 CHẤU - GIẢI PHÁP GÁ MÀI HIỆU QUẢ CHO SẢN XUẤT HÀNG LOẠT
Punch Former with 3 Jaws Chuck thiết bị gá mài chuyên dụng được thiết kế đặt biệt cho sản xuất hàng loạt, giúp nâng cao tốc độ gá phôi, độ ổn định và độ chính xác trong quá trình gia công punch. Phiên bản này sử dụng mâm cặp 3 chấu, phù hợp với các xưởng cơ khí cần hiệu suất cao và thao tác nhanh. 

Đặc điểm nổi bật 
- Trang bị mâm cặp 3 chấu giúp kẹp chặt phôi nhanh chóng, rút ngắn thời gian chuẩn bị, đặc biệt phù hợp với các dây chuyền gia công lặp lại. 
- Thiết bị tích hợp hệ thống micro – adjustment, cho phép cân chỉnh độ đảm và độ đồng tâm của phôi một cách tinh chỉnh, giúp loại bỏ sai số tích lũy thường gặp ở mâm cặp 3 chấu thông thường. 
- Người vận hành có thể điều chỉnh phôi trực tiếp và chính xác thông qua cơ cấu vi chỉnh, không cần tháo lắp phức tạp, tiết kiệm thời gian. 
- Phù hợp với nhiều kích thước phôi khác nhau, đáp ứng đa dạng nhu cầu gia công punch. 
- Thiết kế cứng vững giúp giảm rung động khi mài, đảm bảo độ chính xác ổn định trong suốt quá trình làm việc liên tục. 

Ứng dụng 

  • Gia công punch khuôn dập với số lượng lớn. 
  • Gia công chi tiết tròn yêu cầu độ đồng tâm cao. 
  • Sử dụng trên máy mài phẳng và máy mài dao cụ. 

 

📞 Liên hệ tư vấn & Báo giá 
📍 TẬP ĐOÀN CƠ KHÍ BMT
📞 Hotline: 090 888 4829
🌐 Website: www.cokhibmt.com

THÔNG SỐ KỸ THUẬT 

  • 3 jaw chuck diameter: 85 mm
  • Through hole diameter: 16 mm 
  • Min. clamping diameter: 2 mm 
  • Max. clamping diameter: 70 mm 
Sản phẩm cùng loại
Whatsapp Viber WeChat Line Teams
// CSS