Đầu Khoan Nhiều Trục 4 Spindle Dạng Tròn - 4 Spindle Circular Boring Head

Đầu Khoan Nhiều Trục 4 Spindle Dạng Tròn - 4 Spindle Circular Boring Head

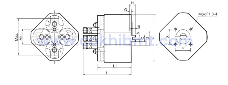
Đầu khoan nhiều trục 4 spindle dạng tròn là thiết bị gia công chuyên dụng cho phép khoan, doa và taro đồng thời bốn lỗ được bố trí theo dạng tròn đồng tâm với độ chính xác cao. Nhờ cấu trúc tròn cân bằng, hệ truyền động bánh răng ổn định và khả năng điều chỉnh linh hoạt khoảng cách trục, sản phẩm giúp giảm rung động, đảm bảo độ đồng tâm, nâng cao năng suất và chất lượng gia công, đặc biệt phù hợp cho các dây chuyền sản xuất công nghiệp và gia công hàng loạt.
  • ĐK-04
  • Liên hệ
  • 0
  • - +
Gọi Đặt Hàng Ngay: 090 888 4829
SÁNG TẠO ĐỈNH CAO

SÁNG TẠO ĐỈNH CAO

Sáng tạo công nghệ thiết thực, mang lại trải nghiệm tuyệt vời cho người sử dụng

GIAO HÀNG NHANH CHÓNG

GIAO HÀNG NHANH CHÓNG

Giao hàng nhanh chóng chỉ trong vòng 24h

UY TÍN VÀ CHẤT LƯỢNG

UY TÍN VÀ CHẤT LƯỢNG

Chất lượng đảm bảo và bảo hành lâu dài

CHẤT LƯỢNG VÀ TIẾT KIỆM

CHẤT LƯỢNG VÀ TIẾT KIỆM

Tiết kiệm 10 -30% so với thương hiệu khác

ĐẦU KHOAN NHIỀU TRỤC 4 SPINDLE DẠNG TRÒN - ĐỘ ĐỒNG TÂM CAO CHO GIA CÔNG CƠ KHÍ CHÍNH XÁC 
Đầu khoan nhiều trục 4 spindle dạng tròn là thiết bị gia công chuyên dụng cho ngành cơ khí chính xác, cho phép khoan, doa và taro đồng thời 4 lỗ được bố trí theo dạng tròn đồng tâm. Sản phẩm nhằm đáp ứng các yêu cầu cao về độ chính xác, độ ổn định và hiệu suất trong sản xuất công nghiệp hiện đại.

Đặc điểm nổi bật 
- Cấu trúc bốn trục được phân bố đều theo chu vi giúp đầu khoan đạt độ cân bằng cao, phân bổ lực cắt đồng đều, giảm rung động và sai lệch hình học trong quá trình gia công, từ đó đảm bảo độ đồng tâm và chất lượng lỗ khoan ổn định, đồng đều trong suốt quá trình sản xuất.
- Đầu khoan được trang bị hệ bánh răng truyền động chính xác, cho khả năng truyền mô-men xoắn hiệu quả, vận hành mượt mà, ít tiếng ồn và giảm mài mòn khi làm việc liên tục; kết hợp với thân vỏ gia công CNC cứng vững giúp thiết bị chịu tải tốt, bền bỉ và ổn định trong môi trường công nghiệp nặng.
- Khoảng cách giữa các spindle có thể điều chỉnh linh hoạt theo yêu cầu gia công, nhờ hệ vạch chia được gia công CNC trực tiếp giúp thiết lập nhanh chóng, chính xác theo bản vẽ kỹ thuật, rút ngắn thời gian setup và hạn chế sai số do thao tác thủ công.
- Đầu khoan được thiết kế với trục quay đảo chiều, cho phép thực hiện hiệu quả cả nguyên công khoan lỗ và taro ren trên cùng một thiết bị, giúp tối ưu hóa trang bị, giảm chi phí đầu tư dụng cụ và tăng tính linh hoạt cho dây chuyền sản xuất.

Ứng dụng rộng rãi trong sản xuất công nghiệp 
Đầu khoan nhiều trục 4 spindle dàng tròn được ứng dụng phổ biến trong: 

  • Gia công cơ khí chính xác
  • Sản xuất linh kiện kim loại 
  • Ngành khuôn mẫu 
  • Thiết bị công nghiệp và kết cấu kim loại

Lợi ích khi sử dụng đầu khoan 4 spindle
- Gia công đồng thời nhiều lỗ, tăng năng suất rõ rệt. 
- Đảm bảo độ đồng tâm và độ chính xác cao. 
- Giảm rung động, nâng cao tuổi thọ dao cắt. 
- Rút ngắn thời gian gia công và chi phí sản xuất. 
- Nâng cao chất lượng và tính đồng đều của sản phẩm. 

📞 Liên hệ tư vấn & báo giá
📍 TẬP ĐOÀN CƠ KHÍ BMT
📞 Hotline: 090 888 4829
🌐 Website: www.cokhibmt.com

THÔNG SỐ KỸ THUẬT 

Sản phẩm cùng loại
Whatsapp Viber WeChat Line Teams
// CSS