Đầu Gá Dao - 4193

Đầu Gá Dao - 4193

Đầu gá dao chấn 4193 là phụ kiện gá kẹp dành cho máy chấn CNC sử dụng hệ BEYELER-S, được thiết kế theo hướng đơn giản, dễ lắp đặt và làm việc ổn định. Với hình học mở, bề mặt gá phẳng và độ chính xác gia công cao, sản phẩm giúp căn chỉnh dao nhanh, đảm bảo lực chấn đồng đều và duy trì độ lặp lại tốt trong gia công kim loại tấm, đặc biệt phù hợp cho các xưởng sản xuất nhiều mã sản phẩm và thay dao thường xuyên.
  • 4193
  • Liên hệ
  • 82
  • - +
Gọi Đặt Hàng Ngay: 090 888 4829
SÁNG TẠO ĐỈNH CAO

SÁNG TẠO ĐỈNH CAO

Sáng tạo công nghệ thiết thực, mang lại trải nghiệm tuyệt vời cho người sử dụng

GIAO HÀNG NHANH CHÓNG

GIAO HÀNG NHANH CHÓNG

Giao hàng nhanh chóng chỉ trong vòng 24h

UY TÍN VÀ CHẤT LƯỢNG

UY TÍN VÀ CHẤT LƯỢNG

Chất lượng đảm bảo và bảo hành lâu dài

CHẤT LƯỢNG VÀ TIẾT KIỆM

CHẤT LƯỢNG VÀ TIẾT KIỆM

Tiết kiệm 10 -30% so với thương hiệu khác

ĐẦU GÁ DAO CHẤN 4193 – THIẾT KẾ ĐƠN GIẢN, LÀM VIỆC ỔN ĐỊNH, PHÙ HỢP SẢN XUẤT CHÍNH XÁC 
Đầu gá dao chấn 4193 – L=150 mm (BEYELER-S) là dòng đầu gá được thiết kế theo hướng gọn gàng, dễ lắp và ổn định khi vận hành. Sản phẩm phù hợp với các máy chấn CNC sử dụng hệ gá BEYELER-S, thường được dùng trong các xưởng gia công kim loại tấm yêu cầu độ chính xác đều và khả năng làm việc lâu dài. 
Đầu gá model 4193 có hình học mở hơn, ưu tiên sự linh hoạt khi gá dao, đặc biệt thuận lợi cho các xưởng thay dao thường xuyên và làm nhiều mã sản phẩm khác nhau. 

Đặc điểm kỹ thuật 
- Thiết kế đầu gá phẳng dễ căn chỉnh giúp người vận hành lắp dao nhanh hạn chế sai lệch vị trí khi setup. 
- Kết cấu cân đối lực truyền đều đảm bảo dao chấn ăn lực ổn định hạn chế rung và trượt trong quá trình chấn. 
- Gia công chính xác theo chuẩn BEYELER-S đảm bảo độ khớp cao với hệ gá máy không cần chỉnh sửa hay căn chỉnh phức tạp. 
- Hoạt động ổn định khi chấn liên tục phù hợp cho sản xuất hàng loạt đặc biệt với các chi tiết yêu cầu độ lặp lại tốt. 
- Dễ thay thế và đồng bộ có thể kết hợp linh hoạt với nhiều loại dao chấn tiêu chuẩn đang sử dụng trong xưởng. 

Phạm vi ứng dụng
- Máy chấn CNC hệ BEYELER-S
- Gia công thép tấm, inox, nhôm
- Sản xuất chi tiết cơ khí, vỏ máy, tủ điện, khung kim loại

📞 Liên hệ tư vấn & Báo giá 
📍 TẬP ĐOÀN CƠ KHÍ BMT
📞 Hotline: 090 888 4829
🌐 Website: www.cokhibmt.com



 

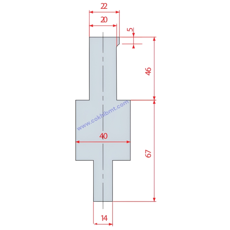
THÔNG SỐ KỸ THUẬT 

  • Chiều dài tổng: 150 mm 
  • Hệ máy tương thích: BEYELER-S
  • Bề rộng thân gá: 40 mm 
  • Bề rộng chuôi dưới: 14 mm 
  • Bề rộng đầu gá: 22 mm (khe làm việc 20 mm) 
Sản phẩm cùng loại
Sản phẩm đã xem

Đầu Gá Dao - 4192

Đầu Gá Dao - 4192

Liên hệ

Thêm vào giỏ hàng