Bộ Gá Đá Mài - Flanges For Grinding Wheels (Surface Grinders)

Bộ Gá Đá Mài - Flanges For Grinding Wheels (Surface Grinders)

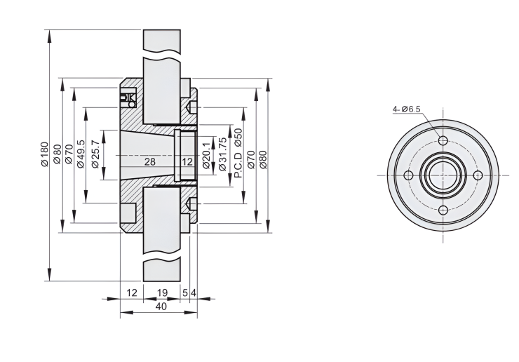
Bộ gá đá mài là phụ kiện chuyên dụng dùng để lắp đặt, cố định và cân tâm đá mài trên máy mài phẳng (Surface Grinder), giúp đá mài được gá chắc chắn và đồng tâm với trục máy. Sản phẩm được gia công chính xác cao, góp phần giảm rung động, duy trò độ phẳng và độ song song của bề mặt gia công, từ đó đảm bảo quá trình mài diễn ra ổn định, an toàn và đạt chất lượng bề mặt cao.
  • BGĐM-01
  • Liên hệ
  • 0
  • - +
Gọi Đặt Hàng Ngay: 090 888 4829
SÁNG TẠO ĐỈNH CAO

SÁNG TẠO ĐỈNH CAO

Sáng tạo công nghệ thiết thực, mang lại trải nghiệm tuyệt vời cho người sử dụng

GIAO HÀNG NHANH CHÓNG

GIAO HÀNG NHANH CHÓNG

Giao hàng nhanh chóng chỉ trong vòng 24h

UY TÍN VÀ CHẤT LƯỢNG

UY TÍN VÀ CHẤT LƯỢNG

Chất lượng đảm bảo và bảo hành lâu dài

CHẤT LƯỢNG VÀ TIẾT KIỆM

CHẤT LƯỢNG VÀ TIẾT KIỆM

Tiết kiệm 10 -30% so với thương hiệu khác

BỘ GÁ ĐÁ MÀI - GIẢI PHÁP GÁ ĐẶT ỔN ĐỊNH CHO MÁY MÀI PHẲNG 
Bộ gá đá mài là phụ kiện chuyên dụng dùng để lắp đặt, cố định và cân tâm đá mài trên máy mài phẳng (Surface Grinder). Sản phẩm được gia công chính xác cao, đảm bảo đá mài được gá chắc chắn, đồng tâm với trục máy, từ đó giúp quá trình mài diễn ra ổn định, an toàn và đạt độ đồng tâm cao. 
Bộ gá đá mài đóng vai trò quan trọng trong việc giảm rung động, duy trì độ song song và độ phẳng của bề mặt gia công, đặc biệt phù hợp cho các ứng dụng mài chính xác và mài tinh. 

Đặc điểm kỹ thuật 
- Thiết kế dạng mặt bích (flange) tiêu chuẩn cho phép kẹp chặt đá mài một cách chắc chắn, đảm bảo truyền lực đồng đều trong quá trình mài. 
- Các bề mặt lắp ghép được gia công tinh, giúp đá mài luôn được cân tâm chính xác, hạn chế sai lệch hình học. 
- Vật liệu và kết cấu được thiết kế để chịu lực tốt, giảm rung và tăng độ ổn định khi máy hoạt động ở tốc độ cao. 
- Thiết kế chuyên dùng cho surface grinder, đáp ứng tốt các yêu cầu gia công chính xác trong xưởng cơ khí. 
- Có nhiều model với kích thước và cấu hình khác nhau, phù hợp với đa dạng loại đá mài và trục máy. 

Ứng dụng thực tế 
- Gá và cố định đá mài trên máy mài phẳng. 
- Gia công mài tinh, mài chính xác cao. 
- Sử dụng trong xưởng cơ khí, nhà máy sản xuất khuôn mẫu. 
- Phù hợp các quy trình mài yêu cầu độ ổn định và độ chính xác cao. 

Lợi ích khi sử dụng bộ gá đá mài 
- Đảm bảo độ đồng tâm và cân bằng của đá mài. 
- Giảm rung động, tăng chất lượng bề mặt gia công. 
- Nâng cao độ an toàn khi vận hành máy mài. 
- Kéo dài tuổi thọ đá mài và trục máy. 

📞 Liên hệ tư vấn & Báo giá 
📍 TẬP ĐOÀN CƠ KHÍ BMT
📞 Hotline: 090 888 4829
🌐 Website: www.cokhibmt.com

 

Sản phẩm cùng loại
Whatsapp Viber WeChat Line Teams
// CSS